准噶尔盆地玛湖凹陷中拐—玛南地区二叠系上乌尔禾组为近源粗碎屑砂砾岩沉积[1],油气显示活跃。勘探初期由于资料不足和地质认识不清,以构造圈闭的思路来部署勘探井位,钻探成功率不高,难以发现规模油气藏,致使上乌尔禾组的勘探工作停滞不前。近年来,随着油气勘探理论和技术的发展,上乌尔禾组油气勘探逐渐进入岩性油气藏勘探阶段,并取得了一系列大的突破,特别是玛湖8、玛湖013等井的高产,预示上乌尔禾组具备大面积成藏的可能,百里油区已逐渐成型[2-3]。
玛湖凹陷中拐—玛南地区上乌尔禾组储层为扇三角洲前缘亚相砂砾岩。陆源沉积物供给充足,沉积环境较稳定,扇三角洲前缘亚相分布面积大[4]。湖相泥岩和致密砂砾岩为侧向、顶底板遮挡层,岩性圈闭的形成条件优越[5-6]。如何利用地震资料识别岩性圈闭和定量预测优质储层分布是砂砾岩储层研究的难点,不少学者利用地震属性、地震反演等方法做过深入的研究,但是这些预测方法有各自的优缺点和适用条件,而砂砾岩沉积横向变化快,地震属性难以确定分析时窗导致提取的属性发生穿时现象,由于存在平均效应的影响,地震噪声会造成较多的假象,导致属性分析的结果与实际地质情况不符[7-9]。
地震反演是目前主要的储层预测方法,主流为褶积模型反演和基于波动理论的波动方程反演,这2种反演方法都是利用测井资料插值获得低频信息或者通过地震叠加速度谱转换获得低频趋势,结合地震资料的中频信息和井插值的高频信息联合反演,虽然理论基础不同,但是井间插值在其中都显得尤为重要[10]。常用的井间插值方法有2种,一种是确定性插值模型,采用反距离加权、自然邻域、径向基函数和克里金等方法,其井间插值结果是确定的,但仅适用于沉积环境稳定的储层,难以建立复杂的地质模型;另一种是统计学随机模拟,根据统计变差函数空间变异程度,来优选相关样本对井间储层变量进行估计,并给出概率统计结果[11-13],该方法垂向分辨率高,横向分辨率较低,而且随机性较强,对井点分布均匀性要求较高。上述2种井间插值方法存在的主要问题是估计高频成分单纯依赖测井,没有充分利用地震信息。
地震波形指示反演是新兴的地震储层预测方法,该方法井间插值时对井点是否均匀分布不作要求,并且充分结合地震波形的横向变化开展高频成分估计,建立的插值模型更符合地质沉积特征。杜伟维等[14]利用地震波形指示反演方法在薄砂岩储层预测中取得了很好的应用效果,但是在砂砾岩储层的预测中还没有应用实例[15-17]。利用测井曲线建立砂砾岩的泥质含量曲线,通过地震波形指示反演来预测砂砾岩含泥和富泥的分布,以期预测上乌尔禾组砂砾岩优质储层的分布范围,并为井位部署和储量提交提供依据。
1 区域构造及沉积特征中拐—玛南地区构造位置处于准噶尔盆地西北缘,其东北部为克百断裂带,南部为中拐凸起,东部为玛湖凹陷、盆1井西凹陷和达巴松凸起(图 1)。基本表现为南东倾的单斜,局部发育宽缓平台和鼻状构造,断裂较少[18-20]。研究区内自下而上钻遇石炭系,二叠系佳木河组、风城组、夏子街组、下乌尔禾组和上乌尔禾组,三叠系百口泉组、克拉玛依组和白碱滩组,侏罗系八道湾组、三工河组、西山窑组、头屯河组和白垩系。各层系之间为不整合接触。目的层二叠系上乌尔禾组以近物源粗碎屑扇三角洲砂砾岩沉积为主,平面上可划分为扇三角洲平原、扇三角洲前缘和滨浅湖3个亚相。自下而上可细分为3段,乌一段(P3 w1)、乌二段(P3 w2)和乌三段(P3 w3),乌一段厚约80~120 m,乌二段厚约60~ 100 m,乌三段厚约30~80 m,由西北向东南沉积厚度逐渐增大。区域沉积研究表明,中拐—玛南地区上乌尔禾组为湖进沉积体系域,砂体为退积叠置式发育样式[21-23],主要储层为扇三角洲前缘亚相水下分流河道灰色、灰绿色砂砾岩(图 1)。
|
下载eps/tif图 图 1 研究区构造位置和上乌尔禾组地层综合柱状图 Fig. 1 Structural location of the study area and comprehensive stratigraphic column of Upper Urho Formation |
将准噶尔盆地中拐—玛南地区23口井、44个样品点的泥质含量与孔隙度、渗透率分别交会拟合(图 2),参考提交储量数据,将泥质体积分数小于7%定义为含泥砂砾岩,大于7%定义为富泥砂砾岩,当泥质体积分数从7%降到3%,渗透率从0.55 mD升到9 mD,孔隙度从6%升到8.7%,由此可知,上乌尔禾组储层渗透率对泥质含量的变化更为敏感,当泥质体积分数大于7%时,渗透率小于0.55 mD,高泥质含量使喉道分割成微细喉道,平均孔喉半径减小,束缚水增多,渗流能力明显降低,从而阻滞油气渗流,储层产能很低,基本属于低效或者无效储层。当泥质体积分数小于7%时,渗透率大于0.55 mD,孔隙结构好,储层产能高,为优质高效储层。因此,泥质体积分数7%可以作为区分有效储层与非有效储层的界限。
|
下载eps/tif图 图 2 中拐—玛南地区P3 w孔隙度及渗透率与泥质含量相关图 Fig. 2 Relationships of argillaceous content with porosity and permeability of P3 w in Zhongguai-Manan area |
通过对准噶尔盆地中拐—玛南地区砂砾岩储层不同测井曲线的响应特征分析,并与岩心泥质含量分析数据和镜下薄片鉴定泥质含量对比,发现砂砾岩储层泥质含量与归一化后的中子测井曲线和声波时差测井曲线的幅度差相关性较强:幅度差大,泥质含量高;幅度差小,泥质含量低。分析认为中子测井曲线反映的是岩石的含氢指数,泥质孔隙中饱含束缚水,黏土矿物也含有结晶水,泥质含量高,含氢指数就高,中子测井响应明显[24];声波时差测井曲线与岩石矿物和流体组分有关,遇孔隙衰减明显[25]。对2条曲线进行去量纲归一化处理,然后计算出泥质含量评价因子。
中子曲线归一化计算公式为:
| $ CN{L_{\rm{n}}} = \frac{{CNL + {\rm{ }}15}}{{45{\rm{ }} + {\rm{ }}15}} $ | (1) |
声波曲线归一化计算公式为:
| $ A{C_{\rm{n}}} = \frac{{AC - {\rm{ }}165}}{{500{\rm{ }}-{\rm{ }}165}} $ | (2) |
泥质含量评价因子计算公式为:
| $ {N_{{\rm{sh}}}} = CN{L_{\rm{n}}} - A{C_{\rm{n}}} $ | (3) |
式中:CNL为储层补偿中子孔隙度测井值,%;AC为声波时差测井值,μs/m;CNLn与ACn分别表示去量纲归一化后的中子孔隙度值与声波时差测井值;Nsh为泥质含量评价因子。
在式(3)的基础上,结合研究区岩心泥质含量实验数据和薄片观察泥质含量数据,拟合出泥质含量与泥质含量评价因子之间的关系,进而确定泥质含量的计算模型(图 3),图中纵坐标为薄片观察得出的泥质含量,横坐标为该薄片取样深度的泥质含量评价因子。最终得出泥质含量计算公式为
| $ {V_{{\rm{sh}}}} = {\rm{ }}17.698{N_{{\rm{sh}}}} + {\rm{ }}16.071 $ | (4) |
|
下载eps/tif图 图 3 上乌尔禾组泥质含量与泥质含量参数交会图 Fig. 3 Cross plot of argillaceous content and argillaceous content parameters of Upper Urho Formation |
利用式(4),计算出研究区内26口探井及评价井的泥质含量曲线,通过校验井K82井泥质含量曲线与薄片鉴定数据对比来看(图 4)井深,井深3 284 m处样品处薄片鉴定泥质体积分数为6%,泥质含量计算曲线数值为5.67%;井深3 335 m处样品薄片鉴定泥质体积分数为3%,泥质体积分数计算曲线数值为3.17%,相对误差控制在5.5%以内,因此计算出的泥质含量曲线可以用于后期地震波形指示反演。
|
下载eps/tif图 图 4 K82井泥质含量计算曲线图 Fig. 4 Curves of argillaceous content of well K82 |
地震波形指示反演是在经典的地质统计学反演基础上发展起来的地质统计学地震反演方法。其基本原理为:地震波形的横向变化反映了岩性组合结构的变化,而岩性组合结构的变化指示了沉积环境的变化,因此可以充分利用地震波形的横向变化开展地层高频层序估计,用地震波形的变化来取代变差函数模型。
前人对本区砂砾岩储层预测多以波阻抗反演为主,这种方法只能区分砂砾岩和泥岩,但并不是所有的砂砾岩都是优质储层。综合前面的储层研究,认为可以利用泥质含量这一参数来区分出砂砾岩中的优质储层。要让泥质含量与地震结合起来,主要是通过地质统计学反演,而传统地质统计学反演方法是利用空间域变差函数来模拟地层空间域变化,对地层空间域变化程度的模拟有限,无法体现沉积相的变化特征,而且对井点分布均匀程度要求比较严苛,限制了该方法的应用领域。
地震波形指示反演基于沉积学原理,利用地震波形的横向连续变化来反映地层的横向变化特征,进而分析地层垂向岩性组合结构特征,而泥质含量与相带岩性组合密切相关,因此可以利用地震波形的变化来间接地反映泥质含量的变化。在反演过程中,让测井地质信息与地震波形信息匹配,利用地震信息的横向约束,减少了反演的不确定性和多解性,是一种井震结合的地震反演方法。该方法使反演结果从完全随机到逐步确定,同时对井位分布的均匀性没有严格要求,大大提高了储层反演结果的精确度和应用领域。
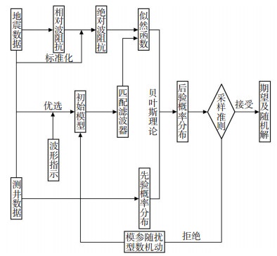
4.2 实现流程地震波形指示反演的实现主要分为以下3个关键步骤:
(1)依照地震波形对已有井分析,优选与井旁道波形关联度高的井创建初始模型,统计其波阻抗信息作为先验信息。
(2)利用初始模型与地震频带阻抗匹配滤波,计算得到似然函数。井旁地震道相似的井其沉积环境基本上也是相似的,虽然高频成分由于沉积微相的不同而产生差异,但其低频成分是具有共性的,这样可以拓展反演结果的低频截止频率,并且限制了高频的截止范围,可提高反演的确定性。
(3)在贝叶斯理论下联合似然函数和先验概率分布得到后验概率分布函数,将其作为目标函数,然后不断改变模型参数使后验概率分布函数最大时的解作为可行的随机期望,最后取多次有效期望的平均值作为期望值输出(图 5)。
|
下载eps/tif图 图 5 地震波形指示反演基本流程 Fig. 5 Flow chart of seismic waveform indicative inversion |
(1)计算泥质含量曲线
利用上乌尔禾组有薄片泥质含量鉴定的井,结合中子测井和声波时差测井计算出泥质含量曲线,没有薄片泥质含量鉴定的井,通过有薄片鉴定的井计算出拟合参数,生成泥质含量曲线。
(2)地震波形特征分析
根据反演井所处的沉积特征,分析不同沉积相带岩性组合的波形特征:①扇三角洲平原亚相以厚层状砂砾岩为主,夹薄层状泥岩,地震波形反射特征为顶界面中强振幅、高频特征,底界面为中低频、中弱振幅,中间为低频弱反射;②扇三角洲前缘亚相多以互层状砂砾岩、泥岩为主,地震反射波形特征为顶界强反射,底界中强反射,反射界面之间为中低频弱反射;③扇间为薄互层状泥岩、砂岩、含砾砂岩,地震波形反射特征为中强振幅,中低频,复波特征(图 6)。
|
下载eps/tif图 图 6 中拐—玛南地区上乌尔禾组沉积特征及地震波形特征 Fig. 6 Sedimentary characteristics and seismic wave characteristics of Upper Urho Formation in Zhongguai-Manan area |
(3)频率参数设置
频率参数是地震波形反演的关键参数,直接影响反演结果的分辨率。地震资料有效频率主要集中在中频部分,测井曲线为宽频信息,能够提供全频带信息。在地震波形指示反演中,中频信息来自地震资料,低频成分从测井资料中得出,而高频成分是在地震波形指示反演中随机模拟的结果,最终合并形成地震波形指示反演体。
4.4 结果分析利用泥质含量曲线经过地震波形指示反演得到泥质含量反演数据体,图 7为过K304井的泥质含量反演剖面,含泥砂砾岩位于上乌尔禾组中下部,上部主要为富含泥质的砂砾岩及泥岩,横向上泥质含量变化自然,通过与镜下薄片鉴定数据对比,井深3 600 m处样品镜下鉴定泥质体积分数为7%,反演结果为7.2%;井深3 668 m处样品镜下鉴定泥质体积分数为4%,反演结果为4.15%。从对比结果来看,泥质含量反演数据真实可靠。
|
下载eps/tif图 图 7 过 K304 井泥质含量反演剖面 Fig. 7 Inversion section of argillaceous content across well K304 |
从泥质含量地震反演连井剖面可以看出井与井之间对比关系好(图 8),通过验证井K009井泥质含量曲线与反演的泥质含量剖面对比,结果吻合率高。砂砾岩泥质含量边界清晰,井间泥质含量变化自然,上乌尔禾组一段和二段泥质含量较低,上乌尔禾组三段泥质含量较高,符合研究区的地质特点,地震反演泥质含量分辨率也较高。利用地震波形指示反演泥质含量提高了地震识别优质储层的精度和可靠性。
|
下载eps/tif图 图 8 泥质含量反演连井剖面图 Fig. 8 Well-tie inversion section of argillaceous content |
综合以上认识,利用砂砾岩泥质体积分数7%的门槛值对平面泥质含量数据进行分类,得出上乌尔禾组有利储层的分布范围(图 9)。通过位于扇三角洲前缘水下分流间湾的验证井(MH8井)与扇三角洲前缘水下分流河道的验证井(MH5井)泥质含量与平面泥质含量预测结果对比,反演结果与沉积认识以及已钻井泥质含量一致性高,反演结果吻合率达85%以上,最终确定上乌尔禾组有利勘探区6个,总面积为450 km2,为后期井位部署和储量提交提供了有力支撑。
|
下载eps/tif图 图 9 中拐—玛南地区上乌尔禾组储层预测平面图 A. 80.9 km2;B. 55.8 km2;C. 68.9 km2;D. 96.3 km2;E. 41.9 km2;F. 106.2 km2 Fig. 9 Reservoir prediction of Upper Urho Formation in Zhongguai-Manan area |
(1)准噶尔盆地玛湖凹陷中拐—玛南地区砂砾岩储层的泥质含量变化对渗透率有很大的影响,上乌尔禾组砂砾岩泥质体积分数从7%降到3%,渗透率从0.55 mD升到9 mD,泥质含量与渗透率之间呈指数关系,而渗透率是储层的重要评价因素,可以利用泥质含量来间接反映砂砾岩储层的优劣。
(2)单一测井曲线难以有效地评价砂砾岩有效储层泥质含量的多寡,由于中子测井和声波时差测井受储层非均质性的影响较小,并且中子测井和声波时差测井的幅度差与泥质含量有很好的对应关系,利用中子和声波时差测井曲线归一化后的幅度差建立泥质含量曲线,可以准确地表征砂砾岩储层的泥质含量。
(3)地震波形指示反演在沉积学基本原理的指导下,利用地震波形的横向变化来反映储层空间的相变特征,更好地体现了相控的思想,是一种井震结合的地震反演方法。利用地震波形指示反演预测上乌尔禾组有利勘探区6个,总面积为450 km2,有力地支撑了评价井(MH048井)的部署和玛南地区上乌尔禾组亿吨级三级储量的提交。
| [1] |
鲁新川, 史基安, 葛冰, 等. 准噶尔盆地西北缘中拐-五八区二叠系上乌尔禾组砂砾岩储层特征. 岩性油气藏, 2012, 24(6): 54-58. LU X C, SHI J A, GE B, et al. Characteristics of glutenite reservoir of Permian Upper Wuerhe Formation in Zhongguai-Wuba area in the northwestern margin of Junggar Basin. Lithologic Reservoirs, 2012, 24(6): 54-58. DOI:10.3969/j.issn.1673-8926.2012.06.012 |
| [2] |
匡立春, 唐勇, 雷德文, 等. 准噶尔盆地玛湖凹陷斜坡区三叠系百口泉组扇控大面积岩性油藏勘探实践. 中国石油勘探, 2014, 19(6): 14-23. KUANG L C, TANG Y, LEI D W, et al. Exploration of fancontrolled large-area lithologic oil reservoirs of Triassic Baikouquan Formation in slope zone of Mahu Depression in Junggar Basin. China Petroleum Exploration, 2014, 19(6): 14-23. DOI:10.3969/j.issn.1672-7703.2014.06.002 |
| [3] |
陈刚强, 安志渊, 阿布力米提, 等. 玛湖凹陷及其周缘石炭-二叠系油气勘探前景. 新疆石油地质, 2014, 35(3): 259-263. CHEN G Q, AN Z Y, ABULIMITI, et al. Petroleum exploration prospects of Carboniferous-Permian in peripheral Mahu Sag, Junggar Basin. Xinjiang Petroleum Geology, 2014, 35(3): 259-263. |
| [4] |
邹妞妞, 张大权, 钱海涛, 等. 准噶尔盆地玛北斜坡区扇三角洲砂砾岩储层主控因素. 岩性油气藏, 2016, 28(4): 24-33. ZOU N N, ZHANG D Q, QIAN H T, et al. Main controlling factors of glutenite reservoir of fan delta in Mabei slope, Junggar Basin. Lithologic Reservoirs, 2016, 28(4): 24-33. DOI:10.3969/j.issn.1673-8926.2016.04.004 |
| [5] |
于兴河, 瞿建华, 谭程鹏, 等. 玛湖凹陷百口泉组扇三角洲砾岩岩相及成因模式. 新疆石油地质, 2014, 35(6): 619-627. YU X H, QU J H, TAN C P, et al. Conglomerate lithofacies and origin models of fan deltas of Baikouquan Formation in Mahu Sag, Junggar Basin. Xinjiang Petroleum Geology, 2014, 35(6): 619-627. |
| [6] |
曹茜, 王志章, 王野, 等. 砂砾岩储层分布非均质性和质量非均质性研究:以克拉玛依油田五2东区克上组为例. 岩性油气藏, 2018, 30(2): 129-138. CAO Q, WANG Z Z, WANG Y, et al. Distribution and quality heterogeneity of conglomerate reservoir:a case from upper Karamay Formation in eastern block Wu 2, Karamay Oilfield. Lithologic Reservoirs, 2018, 30(2): 129-138. |
| [7] |
刘书会. 薄层属性分析中存在的问题及解决方法:以东营凹陷梁108地区滩坝砂岩为例. 油气地质与采收率, 2006, 13(2): 56-58. LIU S H. Problems in thin-layer attribute analysis and solved methods:a case study in beach bar sandstone in Liang 108 area of Dongying Sag. Petroleum Geology and Recovery Efficiency, 2006, 13(2): 56-58. DOI:10.3969/j.issn.1009-9603.2006.02.017 |
| [8] |
张帅, 祝有海, 刘豪, 等. 地震波形分类技术在浅水湖盆砂体预测中的应用. 地球物理学进展, 2013, 28(5): 2618-2625. ZHANG S, ZHU Y H, LIU H, et al. The application of seismic waveform classification technique for sandstone prediction in shallow-water basin. Progress in Geophysics, 2013, 28(5): 2618-2625. |
| [9] |
张闻亭, 潘树新, 刘震华, 等. 地震沉积学在坳陷湖盆滩坝砂体预测中的应用:以酒西盆地Y区块间泉子段为例. 岩性油气藏, 2016, 28(6): 109-116. ZHANG W T, PAN S X, LIU Z H, et al. Application of seismic sedimentology to prediction of beach and bar sand bodies in lacustrine basin:a case study of Juanquanzi member in Y block, Jiuxi Basin. Lithologic Reservoirs, 2016, 28(6): 109-116. DOI:10.3969/j.issn.1673-8926.2016.06.015 |
| [10] |
张宏兵, 杨长春. 正则参数控制下的波阻抗约束反演. 地球物理学报, 2003, 46(6): 827-834. ZHANG H B, YANG C C. A constrained impedance inversion method controlled by regularized. Chinese Journal of Geophysics, 2003, 46(6): 827-834. DOI:10.3321/j.issn:0001-5733.2003.06.016 |
| [11] |
黄捍东, 张如伟, 魏世平. 地震非线性随机反演方法在陆相薄砂岩储层预测中的应用. 石油学报, 2009, 30(3): 386-390. HUANG H D, ZHANG R W, WEI S P. Research on application of seismic nonlinear random inversion to reservoirs prediction in the thin sandstone of continental deposits. Acta Petrolei Sinica, 2009, 30(3): 386-390. DOI:10.3321/j.issn:0253-2697.2009.03.011 |
| [12] |
王香文, 刘红, 滕彬彬, 等. 地质统计学反演技术在薄储层预测中的应用. 石油与天然气地质, 2012, 33(5): 730-735. WANG X W, LIU H, TENG B B, et al. Application of geostatistical inversion to thin reservoir prediction. Oil & Gas Geology, 2012, 33(5): 730-735. |
| [13] |
陈勇, 贺陆明, 程志国, 等. 准噶尔盆地玛湖西斜坡优质砂砾岩储层叠前地震预测研究与应用. 新疆地质, 2016, 34(2): 291-296. CHEN Y, HE L M, CHENG Z G, et al. The research and application of prestack seismic prediction in high quality glutenite reservoir in the western Mahu Slope of Junggar Basin. Xinjiang Geology, 2016, 34(2): 291-296. DOI:10.3969/j.issn.1000-8845.2016.02.026 |
| [14] |
杜伟维, 金兆军, 邸永香. 地震波形指示反演及特征参数模拟在薄储层预测中的应用. 工程地球物理学报, 2017, 14(1): 56-61. DU W W, JIN Z J, DI Y X. The application of seismic waveform indicator inversion and characteristic parameter simulation to thin reservoir prediction. Chinese Journal of Engineering Geophysics, 2017, 14(1): 56-61. DOI:10.3969/j.issn.1672-7940.2017.01.010 |
| [15] |
高君, 毕建军, 赵海山, 等. 地震波形指示反演薄储层预测技术及其应用. 地球物理学进展, 2017, 32(1): 142-145. GAO J, BI J J, ZHAO H S, et al. Seismic waveform inversion technology and application of thinner reservoir prediction. Progress in Geophysics, 2017, 32(1): 142-145. |
| [16] |
韩长城, 林承焰, 任丽华, 等. 地震波形指示反演在东营凹陷王家岗地区沙四上亚段滩坝砂的应用. 中国石油大学学报(自然科学版), 2017, 41(2): 60-69. HAN C C, LIN C Y, REN L H, et al. Application of seismic waveform inversion in Es 43 beach-bar sandstone in Wangjiagang area, Dongying Depression. Journal of China University of Petroleum(Edition of Natural Science), 2017, 41(2): 60-69. DOI:10.3969/j.issn.1673-5005.2017.02.007 |
| [17] |
王贤, 唐建华, 毕建军, 等. 地震波形指示反演在石南地区薄储层预测中的应用. 新疆石油天然气, 2017, 13(3): 1-5. WANG X, TANG J H, BI J J, et al. Application of seismic motion inversion to prediction of thin reservoir in Shinan area. Xinjiang Oil & Gas, 2017, 13(3): 1-5. DOI:10.3969/j.issn.1673-2677.2017.03.002 |
| [18] |
孟祥超, 徐洋, 韩守华, 等. 中拐地区上乌尔禾组浊沸石展布规律及优质储层预测. 东北石油大学学报, 2013, 37(1): 16-23. MENG X C, XU Y, HAN S H, et al. Distribution rule of Laumontite and favorable reservoir forecast of P 3w in Zhongguai Region. Journal of Northeast Petroleum University, 2013, 37(1): 16-23. DOI:10.3969/j.issn.2095-4107.2013.01.003 |
| [19] |
史基安, 何周, 丁超, 等. 准噶尔盆地西北缘克百地区二叠系沉积特征及沉积模式. 沉积学报, 2010, 28(5): 962-968. SHI J A, HE Z, DING C, et al. Sedimentary characteristics and model of Permian system in Kebai area in the northwestern margin of Junggar Basin. Acta Sedimentologica Sinica, 2010, 28(5): 962-968. |
| [20] |
单祥, 邹志文, 孟祥超, 等. 准噶尔盆地玛湖地区三叠系百口泉组物源分析. 沉积学报, 2016, 34(5): 930-939. SHAN X, ZOU Z W, MENG X C, et al. Provenance Analysis of Triassic Baikouquan Formation in the area around Mahu Depression, Junggar Basin. Aata Sedimentological Sinica, 2016, 34(5): 930-939. |
| [21] |
邹志文, 李辉, 徐洋, 等. 准噶尔盆地玛湖凹陷下三叠统百口泉组扇三角洲沉积特征. 地质科技情报, 2015, 34(2): 20-26. ZOU Z W, LI H, XU Y, et al. Sedimentary characteristics of the Baikouquan Formation, Lower Triassic in the Mahu Depression, Junggar Basin. Geological Science and Technology Information, 2015, 34(2): 20-26. |
| [22] |
张有平, 盛世锋, 高祥录. 玛湖凹陷玛2井区下乌尔禾组扇三角洲沉积及有利储层分布. 岩性油气藏, 2015, 27(5): 204-210. ZHANG Y P, SHENG S F, GAO X L. Fan delta sedimentation and favorable reservoir distribution of the lower Urho Formation in Ma 2 well block of Mahu Depression. Lithologic Reservoirs, 2015, 27(5): 204-210. DOI:10.3969/j.issn.1673-8926.2015.05.034 |
| [23] |
庞德新. 砂砾岩储层成因差异及其对储集物性的控制效应:以玛湖凹陷玛2井区下乌尔禾组为例. 岩性油气藏, 2015, 27(5): 149-154. PANG D X. Sedimentary genesis of sand-conglomerate reservoir and its control effect on reservoir properties:a case study of the lower Urho Formation in Ma 2 well block of Mahu Depression. Lithologic Reservoirs, 2015, 27(5): 149-154. DOI:10.3969/j.issn.1673-8926.2015.05.025 |
| [24] |
王晓光, 谭锋奇, 吕建荣, 等. 克拉玛依油田七东1区砾岩油藏泥质含量测井解释方法. 测井技术, 2017, 41(1): 64-70. WANG X G, TAN F Q, LYU J R, et al. Log interpretation method of shale content for conglomerate reservoir, No. 1 area of east 7 th block in Karamay Oilfield. Well Logging Technology, 2017, 41(1): 64-70. |
| [25] |
尉中良, 邹长春. 地球物理测井. 北京: 地质出版社, 2005: 56-57. WEI Z L, ZOU C C. Geophysical Logging. Beijing: Geological Publishing House, 2005: 56-57. |
2019, Vol. 31


